Home
Solutions
Products
Service
Spotlight
Company
Menu
search
Loading
add_shopping_cart
person
Login
FK 57 | TURCK - Your Global Automation Partner
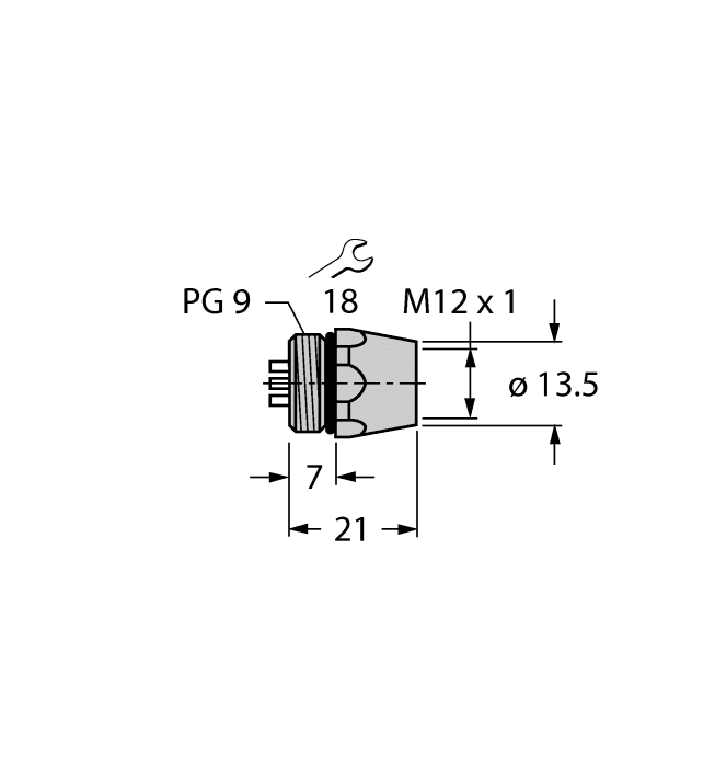
DeviceNet™ Receptacle
FK 57
Order ID no. U1130-0
home
Home
Loading...
Technical Data
Network protocol
DeviceNet
Application
Data
Design
Connection Cable
Connector A
Female, M12 × 1, A-coded
Number of pins
5
Receptacle housing material A
Brass
Screw-in thread
PG9
Voltage (V)
250
Current (A)
4
Connection mode
Solder contact
Key Features
Connector A
Female, M12 × 1, A-coded
Number of pins
5
Receptacle housing material A
Brass
Screw-in thread
PG9
In Stock
Price Group
D1
List Price
€16.40
home
Turck-Shop
Products
Connectivity
Receptacles
FK 57
Item Total
€16.40
Quantity
−
+
add_shopping_cart
Add to Cart
Contact Support