Home
Solutions
Products
Service
Spotlight
Company
Menu
search
Loading
add_shopping_cart
add_shopping_cart
person
Login
FKV 49 | TURCK - Your Global Automation Partner
FOUNDATION™ Fieldbus Receptacle
FKV 49
Order ID no. U7324
home
Home
Loading...
Technical Data
Network protocol
FOUNDATION fieldbus
Application
Data
Design
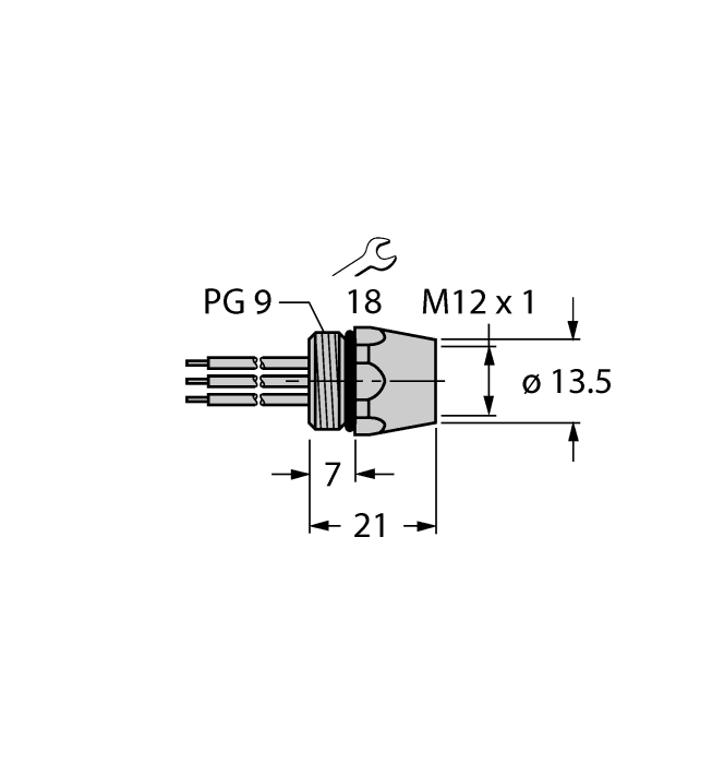
Connection Cable
Connector A
Female, M12 × 1, A-coded
Number of pins
4
Receptacle housing material A
Stainless Steel
Screw-in thread
PG9
Voltage (V)
250
Current (A)
4
Approvals
CE
Ambient temperature min. (°C)
-40
Ambient temperature max. (°C)
90
Connection technology signal
M12
Connection mode
Solder contact
Key Features
Connector A
Female, M12 × 1, A-coded
Number of pins
4
Receptacle housing material A
Stainless Steel
Screw-in thread
PG9
In Stock
Price Group
K3
List Price
€34.90
home
Turck-Shop
Products
Connectivity
Receptacles
FKV 49
Item Total
€34.90
Quantity
−
+
add_shopping_cart
Add to Cart
Contact Support