Home
Solutions
Products
Service
Spotlight
Company
Menu
search
Loading
add_shopping_cart
add_shopping_cart
person
Login
RSFV 49-0.3M/14.5/C1117 | TURCK - Your Global Automation Partner
FOUNDATION fieldbus Flanschanschluss
RSFV 49-0.3M/14.5/C1117
Order ID no. U7834
home
Home
Loading...
Technical Data
Downloads
Ambient temperature max. (°C)
105
Ambient temperature min. (°C)
-40
Application
Data
Approvals
CE, RoHS
Cable length (m)
0.3
Conductor length (m)
0.3
Connection mode
Wire connection
Connection technology signal
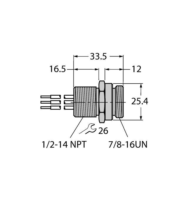
7/8”
Core cross-section (mm²)
0.8
Current (A)
9
Design
Connection Cable
Network protocol
FOUNDATION fieldbus
Number of pins
4
Product type
Receptacle
Receptacle housing material A
Stainless Steel
Screw-in thread
1/2″-14 NPT
Voltage (V)
600
Key Features
Number of pins
4
Receptacle housing material A
Stainless Steel
Screw-in thread
1/2″-14 NPT
In Stock
Price Group
K3
List Price
59,40 €
home
Turck-Shop
Products
Connectivity
Receptacles
RSFV 49-0.3M/14.5/C1117
Item Total
59,40 €
Quantity
−
+
add_shopping_cart
Add to Cart
Contact Support