Home
Solutions
Products
Service
Spotlight
Company
Menu
search
Loading
add_shopping_cart
add_shopping_cart
person
Login
FDNQ-S0400-T | TURCK - Your Global Automation Partner
I/O Module for DeviceNet Fieldbus
FDNQ-S0400-T
Order ID no. F0080
home
Home
Loading...
Technical Data
Downloads
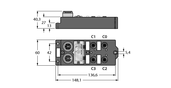
Dimensions (L x W x H)
148,1 mm x 60,4 mm x 27 mm
Fieldbus connection technology
2 x 7/8″
Fieldbus transmission rate
125/250/500 kbps
Input type
2/3, PNP
Network protocol
DeviceNet
Operating voltage
DC
Product type
Compact station, I/O Module
Protection class
IP67
Key Features
Network protocol
DeviceNet
Protection class
IP67
In Stock
Price Group
D1
List Price
591,00 €
Item Total
591,00 €
Quantity
−
+
add_shopping_cart
Add to Cart
home
Turck-Shop
Products
Fieldbus Technology
I/O Modules
FDNQ-S0400-T
Contact Support