Home
Solutions
Products
Service
Spotlight
Company
Menu
search
Loading
add_shopping_cart
add_shopping_cart
person
Login
RES-192S6S-IOL14B-H1141 | TURCK - Your Global Automation Partner
Absolute Rotary Encoder - Singleturn
RES-192S6S-IOL14B-H1141
Order ID no. 100020145
home
Home
Loading...
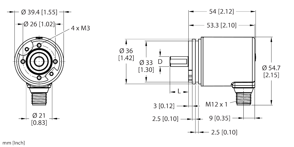
Technical Data
Downloads
Protection class
IP67
Communication protocol
IO-Link
Electrical connection
Connector
Connector type
M12 × 1
Housing material
Die-cast zinc
Ambient temperature min. (°C)
-40
Ambient temperature max. (°C)
85
Measuring principle
Magnetic
Output type
Absolute singleturn
Shaft Type
Solid shaft
Shaft diameter D (mm)
6 mm
Flange diameter (mm)
36
Flange type
Synchro flange
Measuring range
0…360°
Design
Solid shaft
Encoder line
Industrial-Line
Technology
Magnetic
Protection class shaft
IP67
Key Features
Output type
Absolute singleturn
Flange diameter (mm)
36
Shaft diameter D (mm)
6
Shaft Type
Solid shaft
In Stock
Price Group
F3
List Price
€313.40
home
Turck-Shop
Products
Sensors
Encoders
RES-192S6S-IOL14B-H1141
Item Total
€313.40
Quantity
−
+
add_shopping_cart
Add to Cart
Contact Support