Home
Solutions
Products
Service
Spotlight
Company
Menu
search
Loading
add_shopping_cart
add_shopping_cart
person
Login
DWE-8000-135-195-IOL32B-H1141 | TURCK - Your Global Automation Partner
arrow_back_ios
arrow_forward_ios
Draw-Wire
DWE-8000-135-195-IOL32B-H1141
Order ID no. 100049439
home
Home
Loading...
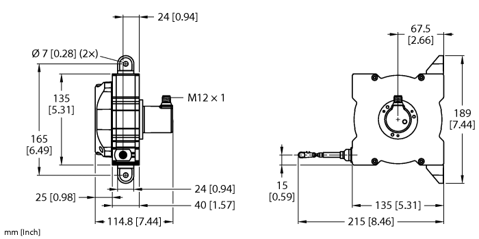
Technical Data
Downloads
Ambient temperature max. (°C)
85
Ambient temperature min. (°C)
-20
Communication protocol
IO-Link
Connector type
M12 x 1
Design
Draw Wire
Electrical connection
Connector
Housing material
Titanium anodized aluminium
Measuring principle
Magnetic
Measuring range (mm)
8000
Protection class
IP65
Key Features
Communication protocol
IO-Link
Electrical connection
Connector
Measuring range (mm)
8000
In Stock
Price Group
B1
List Price
1.465,00 €
home
Turck-Shop
Products
Sensors
Linear Position Sensors
DWE-8000-135-195-IOL32B-H1141
Item Total
1.465,00 €
Quantity
−
+
add_shopping_cart
Add to Cart
Contact Support